No products in the cart.
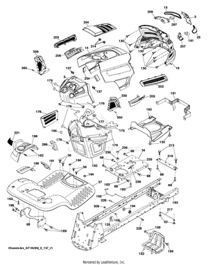
CHASSIS & ENCLOSURES
DECALS
DRIVE
ELECTRICAL
ENGINE
MOWER DECK / CUTTING DECK
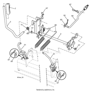
MOWER LIFT LEVER
SCHEMATIC
SEAT
STEERING
WHEELS & TIRES