• support@appliancepartsking.com
  • Store Location
  • About Us
  • Register / Sign In
Facebook Twitter Instagram
Appliance Parts King
CALL US NOW 1-877-788-5464(KING)
0 Cart: 0 item(s) $0.00

You have 0 item(s) in your cart

No products in the cart.

Categories
  • Refrigerators
  • Freezers
  • Ice Machines
  • Washing Machines
  • Dryers
  • Dishwashers
  • Ovens / Ranges / Cooktops
  • Garbage Disposal
Menu
  • Home
  • Shop by Brand
  • Blog
  • About Us
  • Contact Us

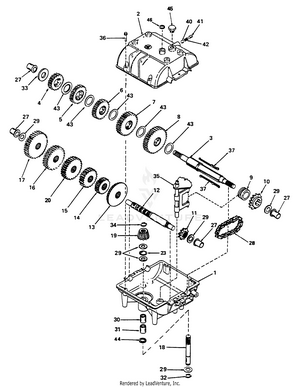
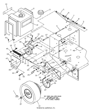
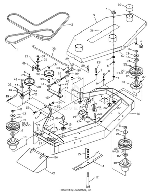
How to navigate the exploded view

  1. Choose an assembly.
  2. Click on your desired part.
  3. Your part will be displayed in the part list.

Cutter Housing Assembly

Front Caster

Front Deck

Ground Harness (Kawasaki)

Ground Harness (Kohler)

Traction Wheel Assembly

Transmission

Transmission & Shifter Group

Upper Handle

Upper Handle Wiring Harness

Wheel Drive & Axle Assembly

CONTACT INFOMATION

ADDRESS

622 N Federal Hwy, Boynton Beach FL 33435

PHONE

1-877-788-5464(KING)

EMAIL

support@appliancepartsking.com

Facebook-f X-twitter Instagram

CONTACT INFOMATION

Get all the latest information on Events, Sales and Offers. Sign up for newsletter today.

My Account

  • Register / Sign In
  • Order Tracking
  • Wishlist

Infomation

  • Blog
  • Contact Us
  • Privacy Policy
  • Terms & Conditions
  • FAQ’s

Customer Services

  • Shipping & Returns
  • Secure Shopping
  • International Shipping
  • Affiliates
  • Contact

Payment & Shipping

  • Terms of Use
  • Payment Methods
  • Shipping Guide
  • Locations We Ship To
  • Estimated Delivery Time

© Copyright Appliance Parts King. All Rights Reserved.

Main Menu x
  • Home
  • Shop by Brand
  • Blog
  • About Us
  • Contact Us
  • Refrigerators
  • Freezers
  • Ice Machines
  • Washing Machines
  • Dryers
  • Dishwashers
  • Ovens / Ranges / Cooktops
  • Garbage Disposal