No products in the cart.
48"/122CM CUTTING DECK
CASTERS
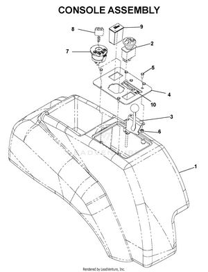
CONTROLS
CONTROLS 2
CONTROLS 3
CONTROLS 4
DECALS
ENGINE
FRAME
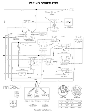
SCHEMATIC
TRANSMISSION
WIRING HARNESS