• support@appliancepartsking.com
  • Store Location
  • About Us
  • Register / Sign In
Facebook Twitter Instagram
Appliance Parts King
CALL US NOW 1-877-788-5464(KING)
0 Cart: 0 item(s) $0.00

You have 0 item(s) in your cart

No products in the cart.

Categories
  • Refrigerators
  • Freezers
  • Ice Machines
  • Washing Machines
  • Dryers
  • Dishwashers
  • Ovens / Ranges / Cooktops
  • Garbage Disposal
Menu
  • Home
  • Shop by Brand
  • Blog
  • About Us
  • Contact Us

How to navigate the exploded view

  1. Choose an assembly.
  2. Click on your desired part.
  3. Your part will be displayed in the part list.

61"/155CM CUTTING DECK

61"/155CM CUTTING DECK 2

72"/183CM CUTTING DECK

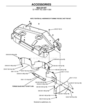
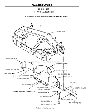
ACCESSORIES

ACCESSORIES 2

ACCESSORIES 3

ACCESSORIES 4

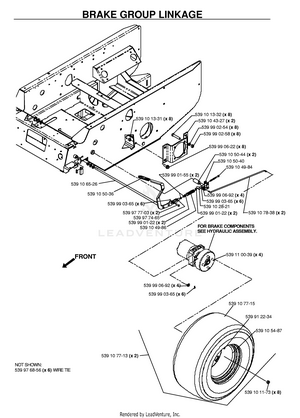
BRAKE / REAR MOWER LIFT

BRAKE / REAR MOWER LIFT 2

CASTERS

CHASSIS, ENGINE & PULLEYS

COOLING SYSTEM

COOLING SYSTEM 2

CUTTING EQUIPMENT

DECALS

ELECTRICAL

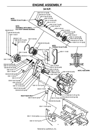
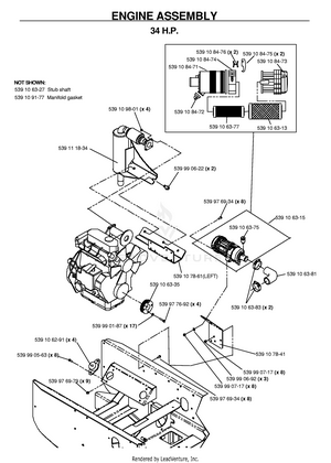
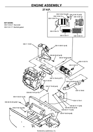
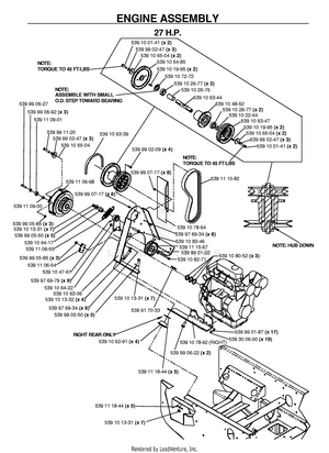
ENGINE

ENGINE 2

ENGINE 3

ENGINE 4

FUEL TANK

FUEL TANK 2

HANDLE & CONTROLS

HYDRAULIC PUMP - MOTOR

HYDRAULIC PUMP - MOTOR 2

HYDRAULIC PUMP - MOTOR 3

MAINFRAME, LEFT SIDE

MAINFRAME, LEFT SIDE 2

MOWER LIFT / DECK LIFT

MOWER LIFT / DECK LIFT 2

MOWER LIFT / DECK LIFT 3

PEDALS

SEAT

WIRING HARNESS

CONTACT INFOMATION

ADDRESS

622 N Federal Hwy, Boynton Beach FL 33435

PHONE

1-877-788-5464(KING)

EMAIL

support@appliancepartsking.com

Facebook-f X-twitter Instagram

CONTACT INFOMATION

Get all the latest information on Events, Sales and Offers. Sign up for newsletter today.

My Account

  • Register / Sign In
  • Order Tracking
  • Wishlist

Infomation

  • Blog
  • Contact Us
  • Privacy Policy
  • Terms & Conditions
  • FAQ’s

Customer Services

  • Shipping & Returns
  • Secure Shopping
  • International Shipping
  • Affiliates
  • Contact

Payment & Shipping

  • Terms of Use
  • Payment Methods
  • Shipping Guide
  • Locations We Ship To
  • Estimated Delivery Time

© Copyright Appliance Parts King. All Rights Reserved.

Main Menu x
  • Home
  • Shop by Brand
  • Blog
  • About Us
  • Contact Us
  • Refrigerators
  • Freezers
  • Ice Machines
  • Washing Machines
  • Dryers
  • Dishwashers
  • Ovens / Ranges / Cooktops
  • Garbage Disposal