No products in the cart.
01 - CONTROL PANEL
02 - DOOR
03 - PUMP & MOTOR
04 - RINSE AID & SOAP DISPENSER
05 - TRACK & RACK ASSEMBLY
06 - TUB
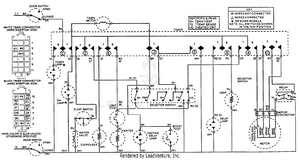
07 - WIRING INFORMATION
08 - WIRING INFORMATION