No products in the cart.
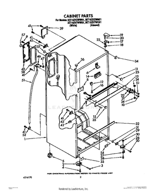
02 - CABINET
03 - LINER
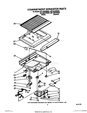
04 - COMPARTMENT SEPARATOR
05 - SHELF
06 - FREEZER DOOR
07 - UNIT
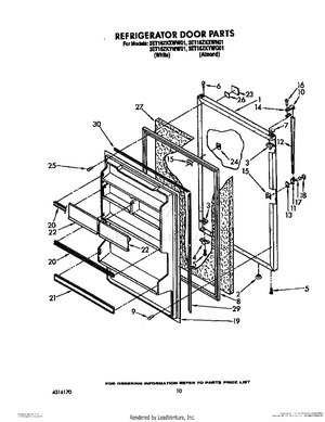
08 - REFRIGERATOR DOOR
09 - TRANSFORMER, NOT ILLUSTRATED