No products in the cart.
01 - CABINET
02 - FREEZER DOOR
03 - SHELF
04 - REFRIGERATOR DOOR
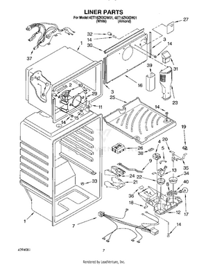
05 - LINER
06 - UNIT, LIT/OPTIONAL