No products in the cart.
01 - CABINET
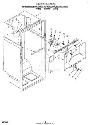
02 - LINER
03 - COMPARTMENT SEPARATOR
04 - SHELF, LIT/OPTIONAL
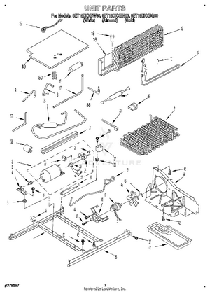
05 - UNIT
06 - REFRIGERATOR DOOR
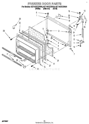
07 - FREEZER DOOR