No products in the cart.
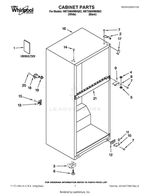
01 - CABINET PARTS
02 - DOOR PARTS
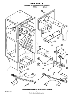
03 - LINER PARTS
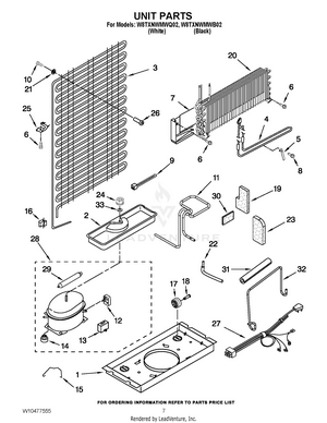
04 - UNIT PARTS
05 - ICEMAKER PARTS
06 - SHELF PARTS
07 - OPTIONAL PARTS