No products in the cart.
01 - CABINET PARTS
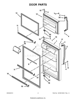
02 - DOOR PARTS
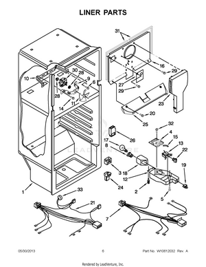
03 - LINER PARTS
04 - UNIT PARTS
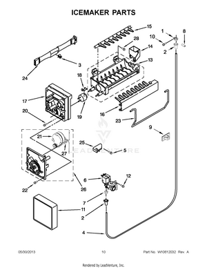
05 - ICEMAKER PARTS
06 - SHELF PARTS
07 - OPTIONAL PARTS