No products in the cart.
01 - TOP AND CONSOLE PARTS
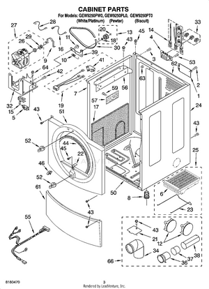
02 - CABINET PARTS
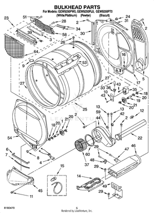
03 - BULKHEAD PARTS
04 - DOOR PARTS
05 - PEDESTAL PARTS (NOT INCLUDED), OPTIONAL PARTS (NOT INCLUDED)