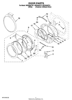
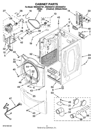
How to navigate the exploded view

  1. Choose an assembly.
  2. Click on your desired part.
  3. Your part will be displayed in the part list.