No products in the cart.
01 - CABINET, LITERATURE
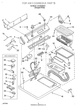
02 - TOP AND CONSOLE, OPTIONAL
03 - BULKHEAD
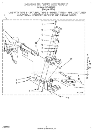
04 - 3402844 BURNER ASSEMBLY