No products in the cart.
01 - TOP AND CONSOLE, LIT/OPTIONAL
02 - CABINET
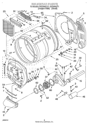
03 - BULKHEAD
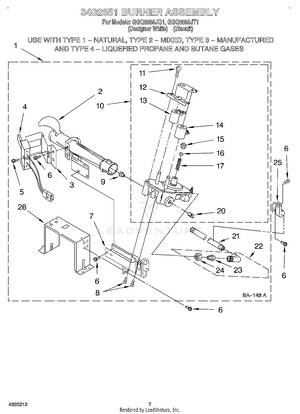
04 - 3402851 BURNER