No products in the cart.
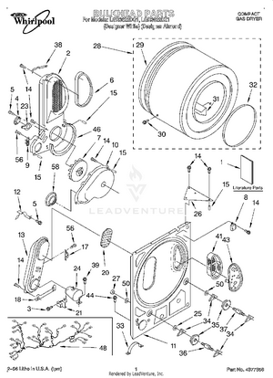
01 - BULKHEAD, LITERATURE
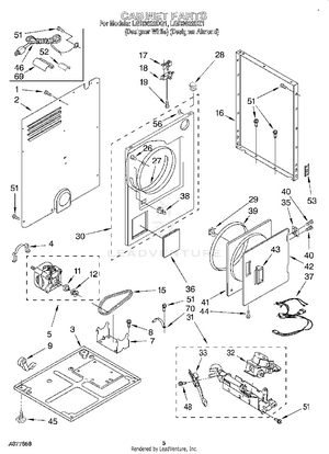
02 - CABINET
03 - 3401774 BURNER
04 - TOP AND CONSOLE