No products in the cart.
01 - COVER SHEET
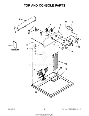
02 - TOP AND CONSOLE PARTS
03 - CABINET PARTS
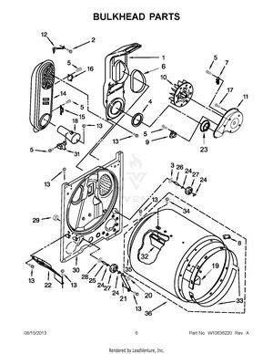
04 - BULKHEAD PARTS
05 - 8318272 BURNER ASSEMBLY PARTS
06 - OPTIONAL PARTS (NOT INCLUDED)