No products in the cart.
01 - COVER SHEET
02 - TOP AND CONSOLE PARTS
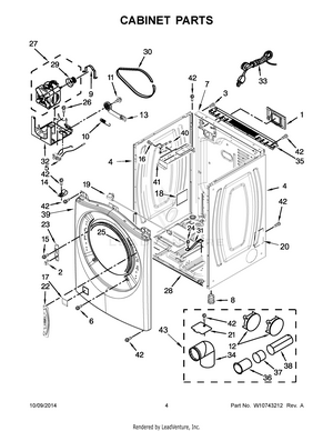
03 - CABINET PARTS
04 - BULKHEAD PARTS
05 - DOOR PARTS
06 - W10307147 BURNER ASSEMBLY PARTS
07 - OPTIONAL PARTS (NOT INCLUDED)