No products in the cart.
01 - TOP AND CONSOLE PARTS
02 - CABINET PARTS
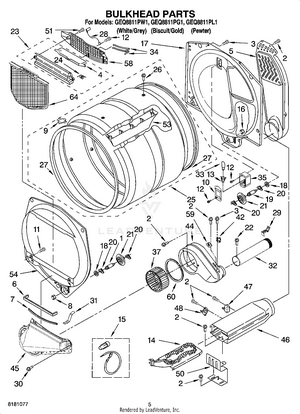
03 - BULKHEAD PARTS, OPTIONAL PARTS (NOT INCLUDED)