No products in the cart.
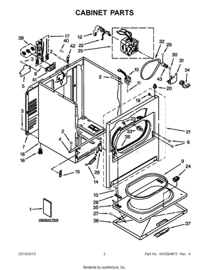
01 - CABINET PARTS
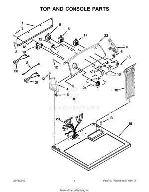
02 - TOP AND CONSOLE PARTS
03 - BULKHEAD PARTS
04 - OPTIONAL PARTS (NOT INCLUDED)