No products in the cart.
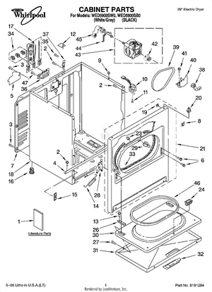
01 - CABINET PARTS
02 - TOP AND CONSOLE PARTS
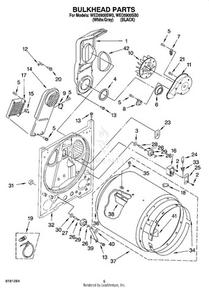
03 - BULKHEAD PARTS, OPTIONAL PARTS (NOT INCLUDED)