No products in the cart.
01 - TOP AND CONSOLE PARTS
02 - CABINET PARTS
03 - BULKHEAD PARTS
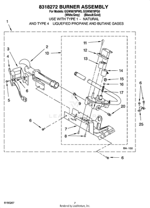
04 - 8318272 BURNER ASSEMBLY