No products in the cart.
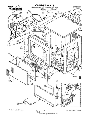
01 - CABINET
02 - BULKHEAD, LIT/OPTIONAL
03 - WIRING HARNESS
04 - 3397643 BURNER ASSEMBLY