No products in the cart.
01 - BULKHEAD, LIT/OPTIONAL
02 - TOP AND CONSOLE
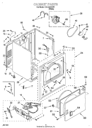
03 - CABINET
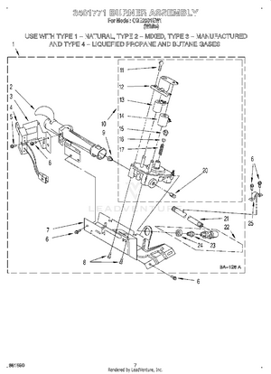
04 - 3401771 BURNER ASSEMBLY