No products in the cart.
01 - TOP AND CONSOLE PARTS
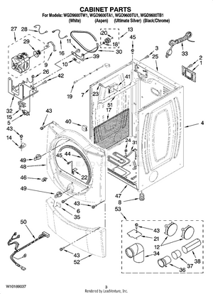
02 - CABINET PARTS
03 - BULKHEAD PARTS
04 - 8576353 BURNER ASSEMBLY
05 - DOOR PARTS, OPTIONAL PARTS (NOT INCLUDED)