No products in the cart.
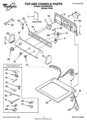
01 - TOP AND CONSOLE PARTS
02 - CABINET PARTS
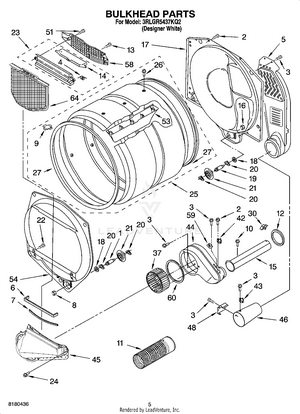
03 - BULKHEAD PARTS
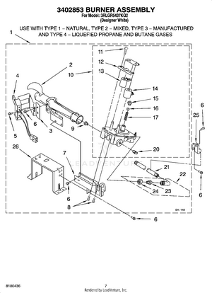
04 - 3402853 BURNER ASSEMBLY