No products in the cart.
01 - CABINET LINER AND DOOR
02 - EVAPORATOR, ICE CUTTER GRID AND WATER
03 - PUMP
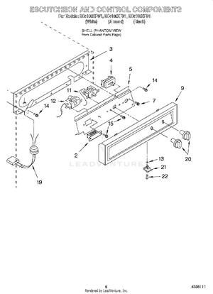
04 - ESCUTCHEON AND CONTROL COMPONENTS
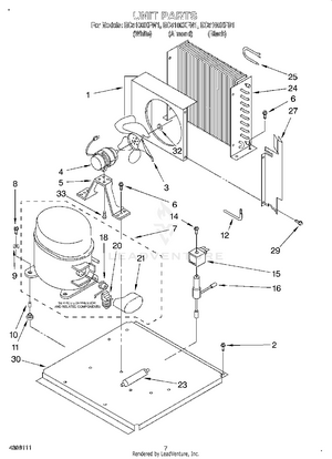
05 - UNIT, LITERATURE