No products in the cart.
01 - CABINET AND FRONT
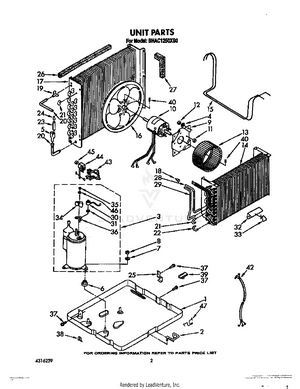
02 - UNIT, LIT/OPTIONAL
03 - AIR FLOW
04 - ACCESSORIES
05 - OPTIONAL