No products in the cart.
02 - CABINET
03 - REFRIGERATOR LINER
04 - FREEZER LINER
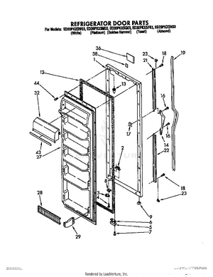
05 - REFRIGERATOR DOOR
06 - FREEZER DOOR
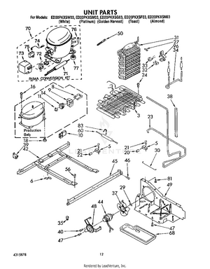
07 - UNIT
08 - AIR FLOW
09 - CONTROL, LIT/OPTIONAL