No products in the cart.
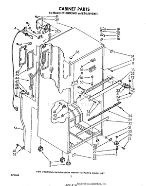
02 - CABINET
03 - LINER
04 - COMPARTMENT SEPARATOR
05 - SHELF
06 - FREEZER DOOR
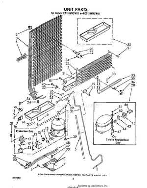
07 - UNIT
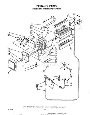
08 - ICE MAKER
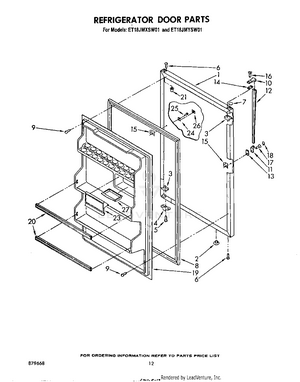
09 - REFRIGERATOR DOOR , NOT ILLUSTRATED