No products in the cart.
01 - CABINET
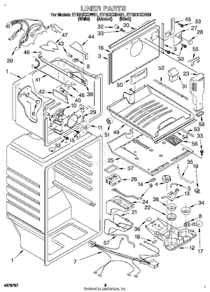
02 - LINER
03 - SHELF
04 - REFRIGERATOR DOOR
05 - UNIT
06 - FREEZER DOOR, LIT/OPTIONAL