No products in the cart.
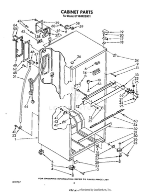
02 - CABINET
03 - LINER
04 - COMPARTMENT SEPARATOR
05 - SHELF
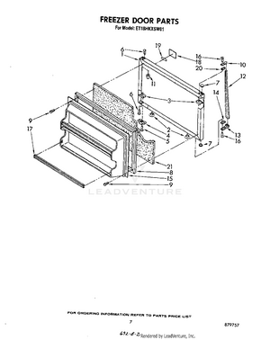
06 - FREEZER DOOR
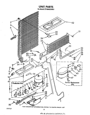
07 - UNIT
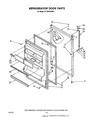
08 - REFRIGERATOR DOOR , NOT ILLUSTRATED