No products in the cart.
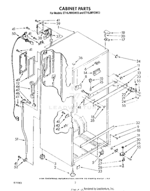
02 - CABINET
03 - LINER
04 - COMPARTMENT SEPARATOR
05 - SHELF
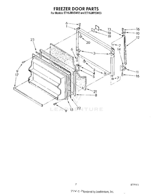
06 - FREEZER DOOR
07 - UNIT
08 - REFRIGERATOR DOOR
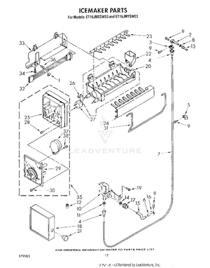
09 - ICE MAKER , NOT ILLUSTRATED