No products in the cart.
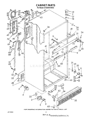
02 - CABINET
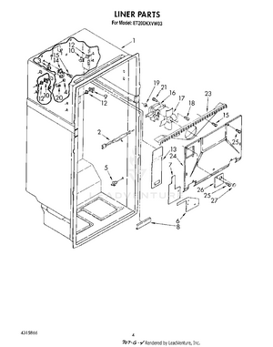
03 - LINER
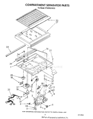
04 - COMPARTMENT SEPARATOR
05 - SHELF , LIT/OPTIONAL
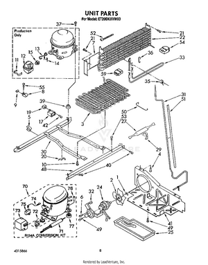
06 - UNIT
07 - REFRIGERATOR DOOR
08 - FREEZER DOOR