No products in the cart.
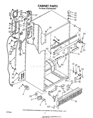
02 - CABINET
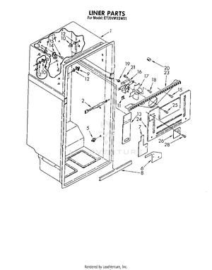
03 - LINER
04 - COMPARTMENT SEPARATOR
05 - SHELF
06 - FREEZER DOOR
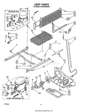
07 - UNIT
08 - REFRIGERATOR DOOR
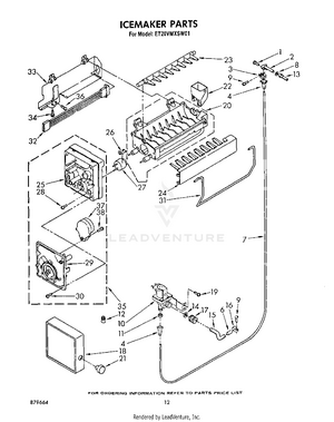
09 - ICE MAKER , LIT/OPTIONAL