No products in the cart.
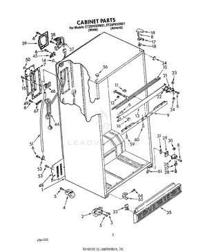
02 - CABINET
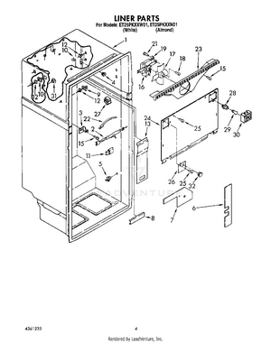
03 - LINER
04 - COMPARTMENT SEPARATOR
05 - SHELF, LIT/OPTIONAL
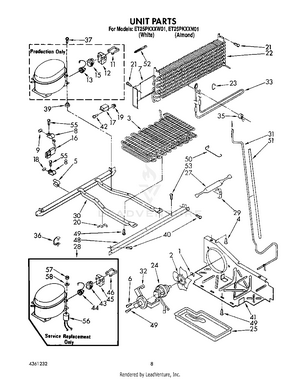
06 - UNIT
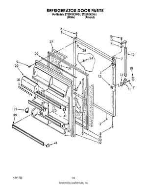
07 - REFRIGERATOR DOOR
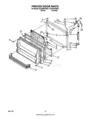
08 - FREEZER DOOR