No products in the cart.
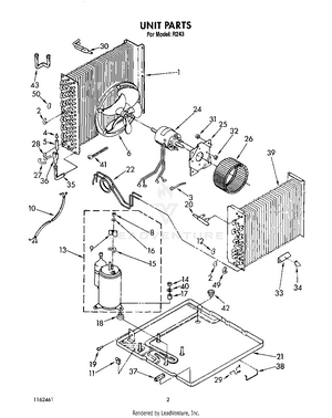
02 - UNIT, LIT/OPTIONAL
03 - AIR FLOW AND CONTROL
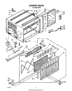
04 - CABINET
05 - OPTIONAL
06 - INSTALLATION