No products in the cart.
01 - CABINET LINER AND DOOR, LIT/OPTIONAL
02 - EVAPORATOR, ICE CUTTER GRID AND WATER
03 - PUMP
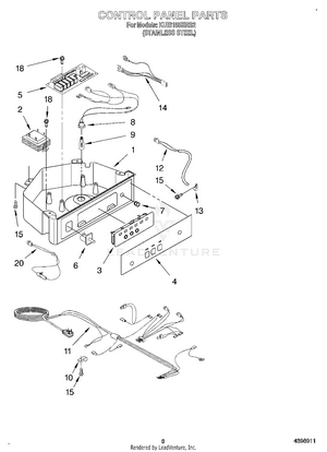
04 - CONTROL PANEL
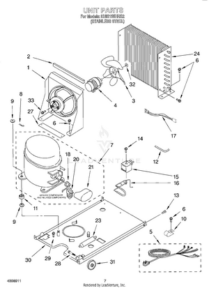
05 - UNIT