No products in the cart.
01 - CABINET LINER AND DOOR PARTS
02 - EVAPORATOR ICE CUTTER GRID AND WATER PARTS
03 - PUMP PARTS
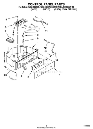
04 - CONTROL PANEL PARTS
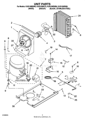
05 - UNIT PARTS