No products in the cart.
01 - BASE AND PEDESTAL UNIT
02 - CASE, GEARING AND PLANETARY UNIT
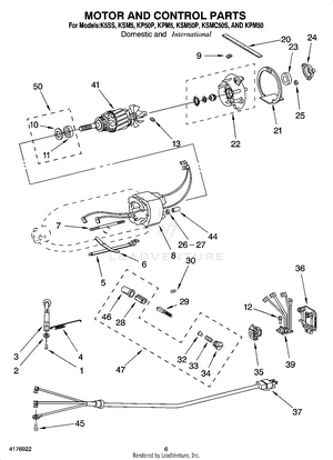
03 - MOTOR AND CONTROL PARTS