No products in the cart.
01 - COLOR VARIATION PARTS
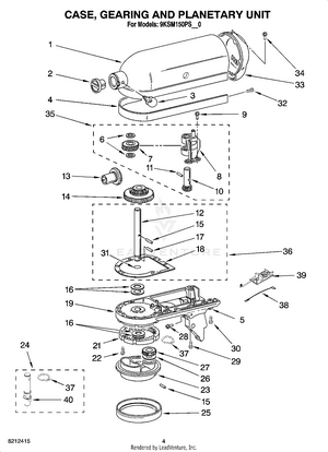
02 - CASE, GEARING AND PLANETARY UNIT
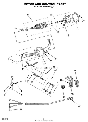
03 - MOTOR AND CONTROL PARTS
04 - BASE AND PEDESTAL UNIT, OPTIONAL PARTS