support@appliancepartsking.com
Store Location
About Us
Register / Sign In
Facebook
Twitter
Instagram
CALL US NOW
1-877-788-5464(KING)
0
Cart:
0
item(s)
$
0.00
You have
0
item(s) in your cart
No products in the cart.
Categories
Refrigerators
Freezers
Ice Machines
Washing Machines
Dryers
Dishwashers
Ovens / Ranges / Cooktops
Menu
Home
Shop by Brand
Blog
About Us
Contact Us
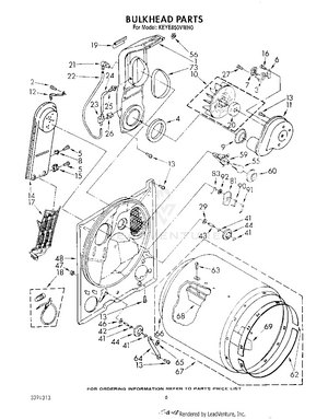
How to navigate the exploded view
Choose an assembly.
Click on your desired part.
Your part will be displayed in the part list.
01 - SECTION
02 - SECTION
03 - SECTION
04 - SECTION
Main Menu
x
Home
Shop by Brand
Blog
About Us
Contact Us
Refrigerators
Freezers
Ice Machines
Washing Machines
Dryers
Dishwashers
Ovens / Ranges / Cooktops