No products in the cart.
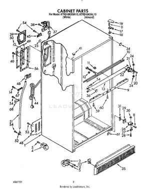
02 - CABINET
03 - LINER
04 - COMPARTMENT SEPARATOR
05 - SHELF, LIT/OPTIONAL
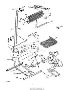
06 - UNIT
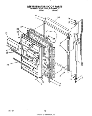
07 - REFRIGERATOR DOOR
08 - FREEZER DOOR