No products in the cart.
02 - DOOR
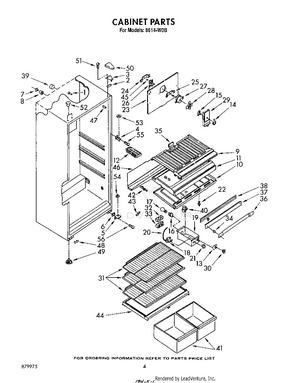
03 - CABINET
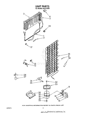
04 - UNIT
05 - ICE MAKER INSTALLATION, LIT/OPTIONAL
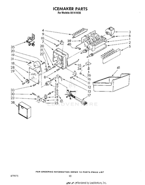
06 - ICE MAKER