No products in the cart.
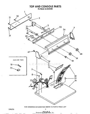
01 - TOP AND CONSOLE , LITERATURE AND OP
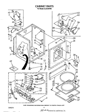
02 - CABINET
03 - 694670 BURNER
05 - SECTION