No products in the cart.
02 - TOP AND CONSOLE, LIT/OPTIONAL
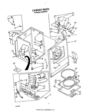
03 - CABINET
04 - 694670 BURNER ASSEMBLY
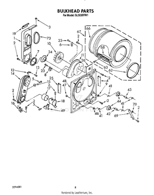
05 - BULKHEAD