No products in the cart.
02 - BACKGUARD , LIT/OPTIONAL
03 - MAIN
04 - BODY
05 - OVEN DOOR
06 - WIRE HARNESS AND COMPONENTS
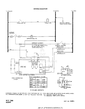
07 - WIRING DIAGRAM