No products in the cart.
02 - CONTROL PANEL
03 - OVEN
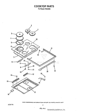
04 - COOKTOP
05 - DOOR LOCK
06 - OVEN DOOR , WIRE HARNESS
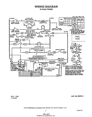
07 - WIRING DIAGRAM