No products in the cart.
01 - TOP & CONSOLE, LIT/OPTIONAL
02 - CABINET
03 - BULKHEAD
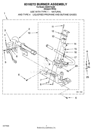
04 - 8318272 BURNER ASSEMBLY