No products in the cart.
01 - CABINET PARTS
02 - FREEZER DOOR PARTS
03 - SHELF PARTS
04 - REFRIGERATOR DOOR PARTS
05 - LINER PARTS
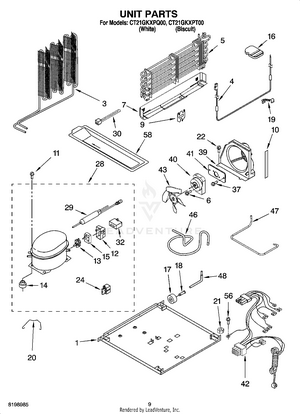
06 - UNIT PARTS, OPTIONAL PARTS