No products in the cart.
01 - COVER SHEET
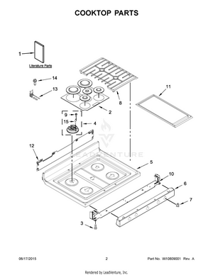
02 - COOKTOP PARTS
03 - CONTROL PANEL PARTS
04 - CHASSIS PARTS
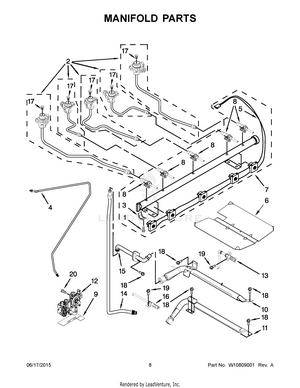
05 - MANIFOLD PARTS
06 - DOOR PARTS
07 - DRAWER PARTS
08 - OPTIONAL PARTS (NOT INCLUDED)